CRAFTSMAN TONDEUSE 917.388190 Pièces détachées
917.388190 TONDEUSE

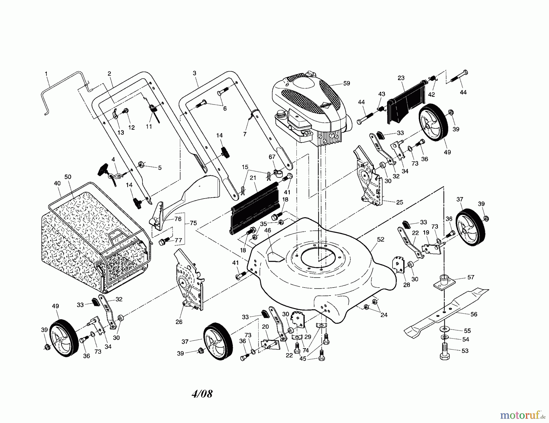
Vous trouverez ici le dessin de la pièce de rechange pour CRAFTSMAN Divers TONDEUSE 917.388190 Seite 1. Sélectionnez la pièce de rechange requise dans la liste des pièces de rechange de votre appareil CRAFTSMAN Divers TONDEUSE 917.388190 Seite 1 et commandez simplement en ligne. De nombreuses pièces de rechange CRAFTSMAN nous gardons en permanence dans notre entrepôt pour vous.


Gestion de qualité
Aidez-nous à améliorer cette page. Informez-nous de toute erreur que vous trouverez.

