PORTER CABLE 2 1/2IN FINISH NAILER FN250 Pièces détachées
FN250 2 1/2IN FINISH NAILER

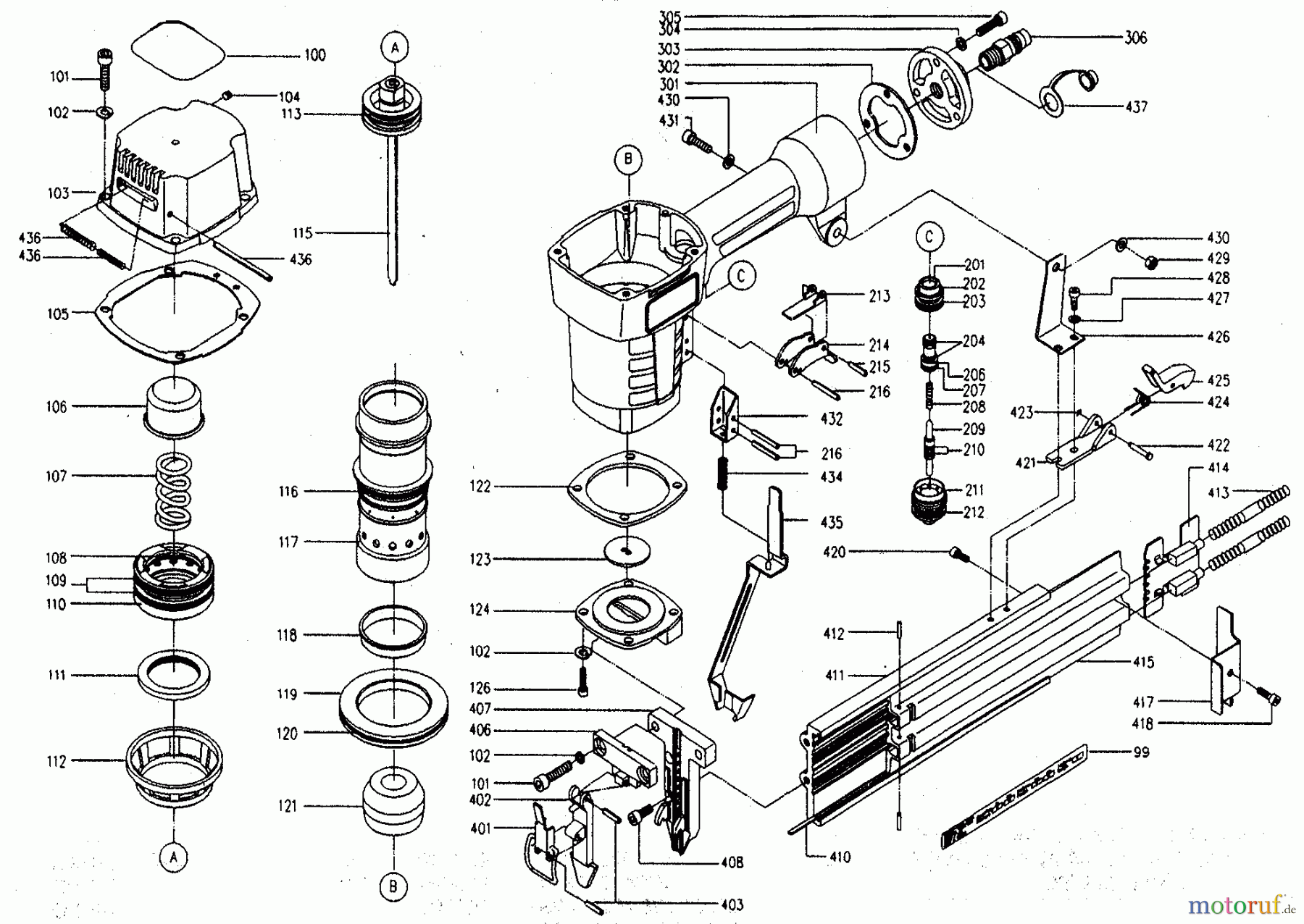
Vous trouverez ici le dessin de la pièce de rechange pour PORTER CABLE Divers 2 1/2IN FINISH NAILER FN250 Seite 1. Sélectionnez la pièce de rechange requise dans la liste des pièces de rechange de votre appareil PORTER CABLE Divers 2 1/2IN FINISH NAILER FN250 Seite 1 et commandez simplement en ligne. De nombreuses pièces de rechange PORTER CABLE nous gardons en permanence dans notre entrepôt pour vous.



