BLACK+DECKER FORETS T.V. 3/8 KYLS.DRIL TV310 Pièces détachées
TV310 T.V. 3/8 KYLS.DRIL

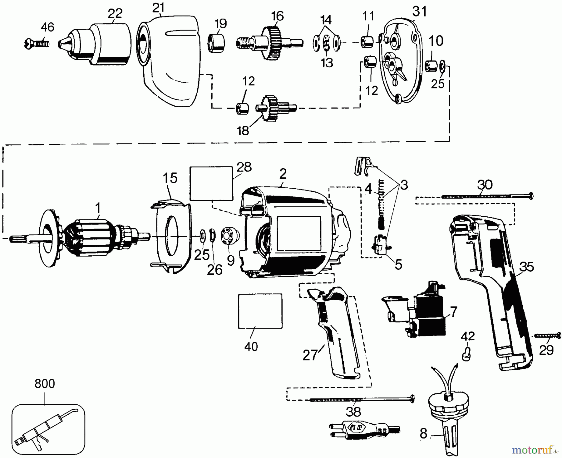
Vous trouverez ici le dessin de la pièce de rechange pour BLACK+DECKER A L'INTÉRIEUR FORETS T.V. 3/8 KYLS.DRIL TV310 Seite 1. Sélectionnez la pièce de rechange requise dans la liste des pièces de rechange de votre appareil BLACK+DECKER A L'INTÉRIEUR FORETS T.V. 3/8 KYLS.DRIL TV310 Seite 1 et commandez simplement en ligne. De nombreuses pièces de rechange BLACK+DECKER nous gardons en permanence dans notre entrepôt pour vous.


Gestion de qualité
Aidez-nous à améliorer cette page. Informez-nous de toute erreur que vous trouverez.

