BLACK+DECKER PONCEUSE PONCEUSES A BANDE XTA80E Pièces détachées
XTA80E PONCEUSES A BANDE

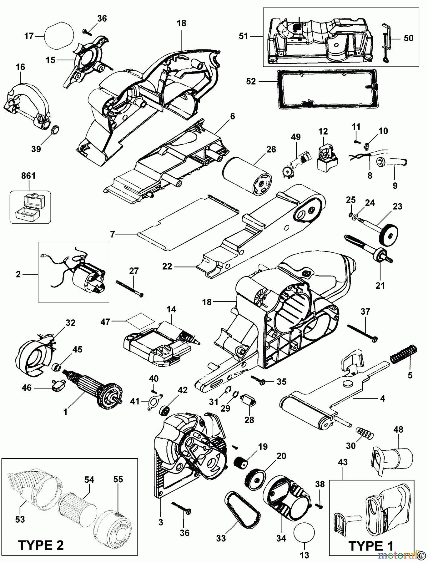
Vous trouverez ici le dessin de la pièce de rechange pour BLACK+DECKER A L'INTÉRIEUR PONCEUSE PONCEUSES A BANDE XTA80E Seite 1. Sélectionnez la pièce de rechange requise dans la liste des pièces de rechange de votre appareil BLACK+DECKER A L'INTÉRIEUR PONCEUSE PONCEUSES A BANDE XTA80E Seite 1 et commandez simplement en ligne. De nombreuses pièces de rechange BLACK+DECKER nous gardons en permanence dans notre entrepôt pour vous.


Gestion de qualité
Aidez-nous à améliorer cette page. Informez-nous de toute erreur que vous trouverez.

