Yard-Man YM 1314 E 18D-Z1F-643 (2010) Clapet arrière, Carter plateau de coupe Pièces détachées
Clapet arrière, Carter plateau de coupe 18D-Z1F-643 (2010)

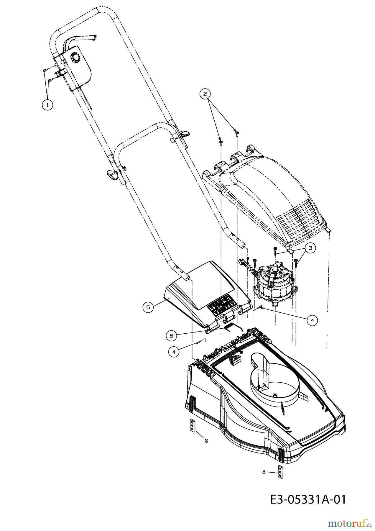
Vous trouverez ici le dessin de la pièce de rechange pour Yard-Man Tondeuse électrique YM 1314 E 18D-Z1F-643 (2010) Clapet arrière, Carter plateau de coupe. Sélectionnez la pièce de rechange requise dans la liste des pièces de rechange de votre appareil Yard-Man Tondeuse électrique YM 1314 E 18D-Z1F-643 (2010) Clapet arrière, Carter plateau de coupe et commandez simplement en ligne. De nombreuses pièces de rechange Yard-Man nous gardons en permanence dans notre entrepôt pour vous.


Gestion de qualité
Aidez-nous à améliorer cette page. Informez-nous de toute erreur que vous trouverez.


