Golf 130 SE 02804.01 (1995) Machine de base Pièces détachées
Machine de base 02804.01 (1995)

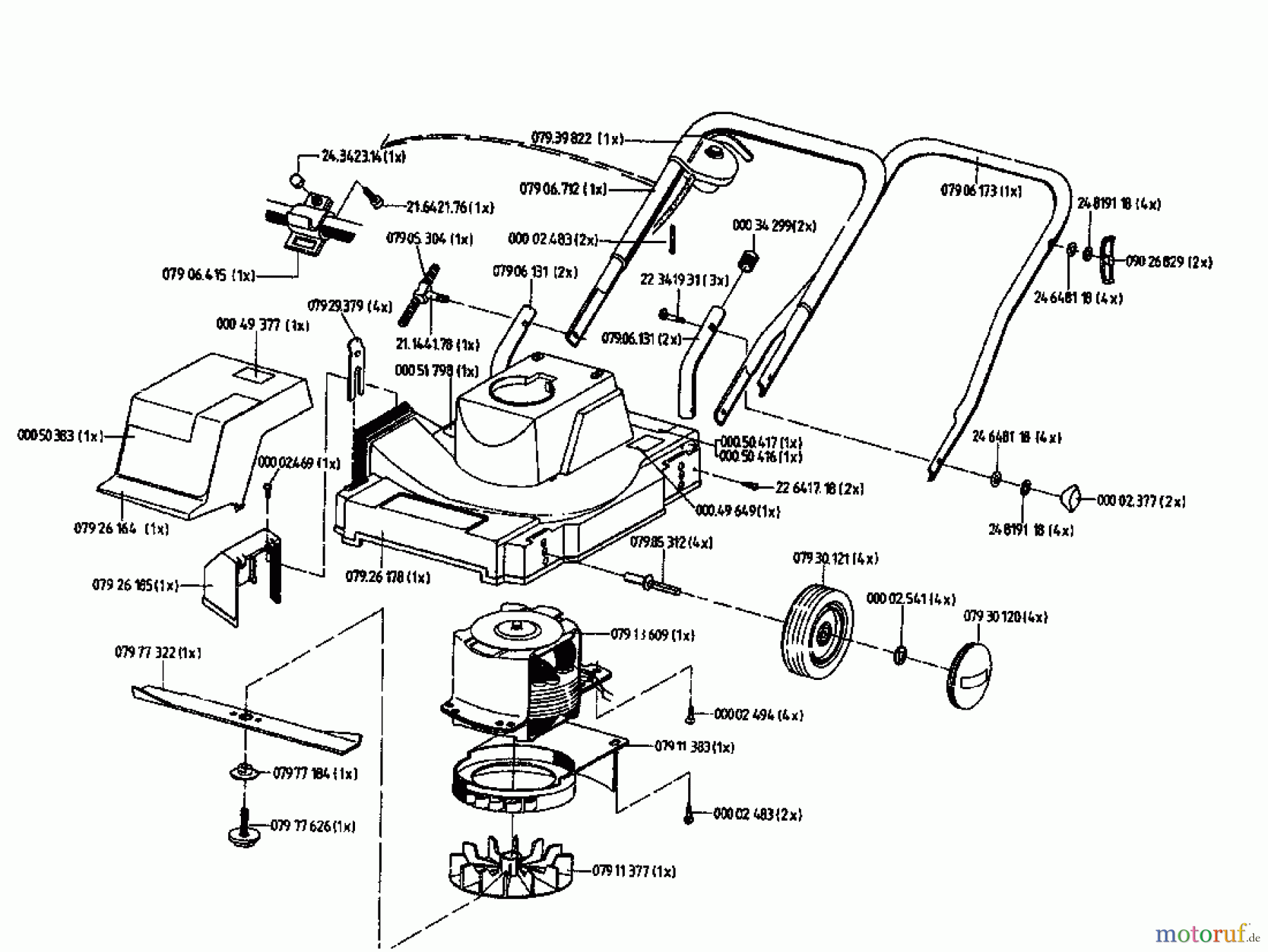
Vous trouverez ici le dessin de la pièce de rechange pour Golf Tondeuse électrique 130 SE 02804.01 (1995) Machine de base. Sélectionnez la pièce de rechange requise dans la liste des pièces de rechange de votre appareil Golf Tondeuse électrique 130 SE 02804.01 (1995) Machine de base et commandez simplement en ligne. De nombreuses pièces de rechange Golf nous gardons en permanence dans notre entrepôt pour vous.


Gestion de qualité
Aidez-nous à améliorer cette page. Informez-nous de toute erreur que vous trouverez.


