retour à
>
Roth / TORO
>
Ride-On Mowers
>
Traktor
>
520 Lxi
>
521/73546
>
8900001
>
Crankcase Assy.
Listes de pièces de rechange pour Toro Roth / TORO Crankcase Assy.
pos.
description
Numéro de référence
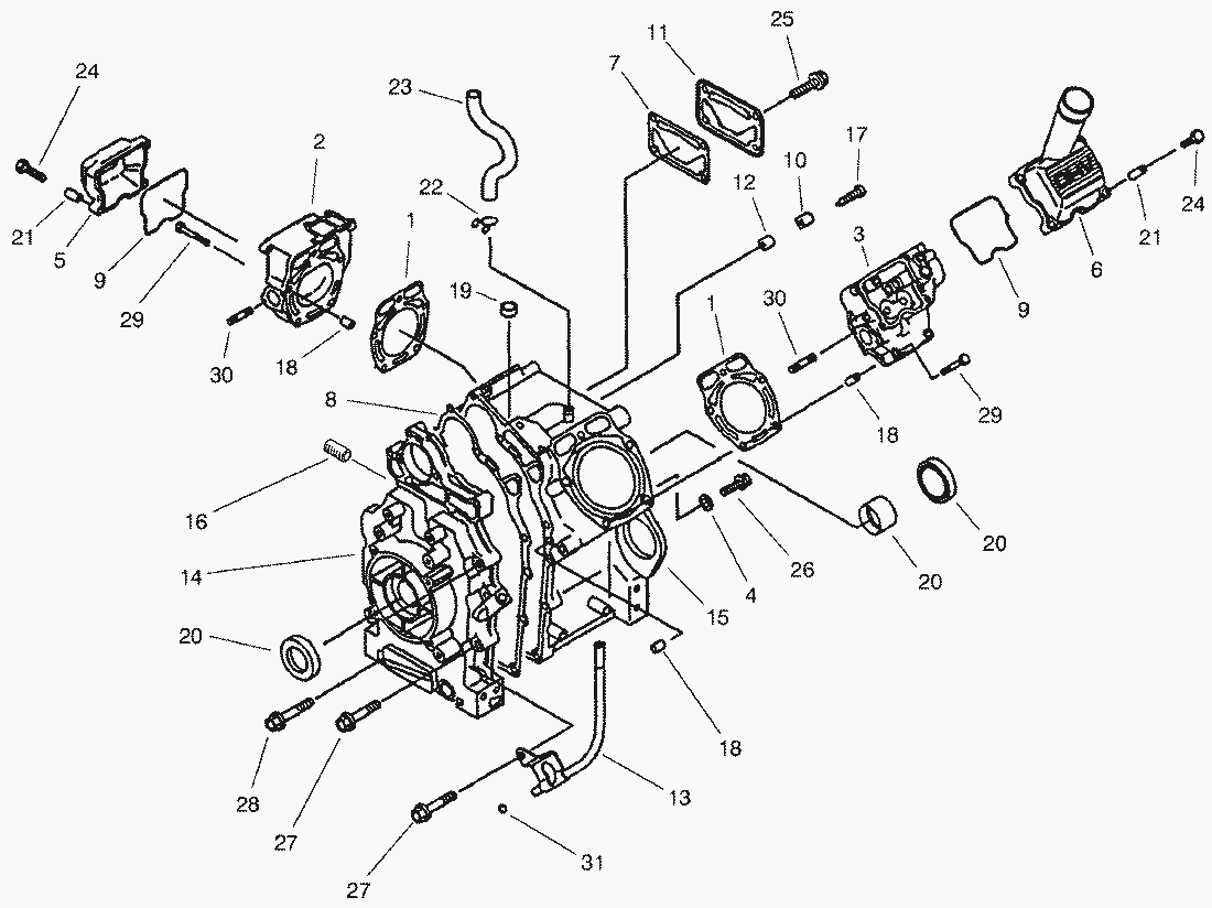
1
Gasket-Head
95-9700
2
Head-Cylinder
95-9701
3
Head-Cylinder
95-9702
4
Gasket
95-9703
5
Cover-Rocker
95-9704
6
Cover-Rocker
95-9705
7
Gasket-Breather
95-9706
8
Gasket-Crankcase Cover
95-9707
9
Gasket-Rocker Cover
95-9708
10
Plate
95-9709
11
Cover
95-9710
12
Valve
95-9711
13
Pipe-Oil Level
98-7369
14
Cover-Crankcase
95-9713
15
Crankcase Assembly
95-9714
16
Joint
95-9715
17
Screw
95-9716
18
Pin
93-8512
19
Seal-Oil
Kw10227
20
Seal-Oil
95-9717
21
Collar
95-9719
22
Clamp
95-9720
23
Tube
95-9721
24
Bolt-Flanged
93-8548
25
Bolt-Flanged
93-8679
26
Bolt-Flanged
95-9722
27
Bolt-Flanged
Kw10035
28
Bolt-Flanged
95-9723
29
Bolt-Flanged
95-9724
30
Bolt-Stud
95-9725
31
Seal-O-Ring
95-9726
Toro
Roth / TORO
Ride-On Mowers
Traktor
264-6
246 HE
244-5
212-H
212-5
17-44 HXLE
16-44 HXL
16-38 HXL
16-38 XLE
15-44 HXL
15-38 HXL
14-38 HXL
14-38 XL
13-38 HXL
13-38 XL
13-32 XLE
12-38 HXL
12-38 XL
12-32 XL
264 H
265 H
267 H
268 H
270 H
520 xi
520 Lxi
521/73546
8900001
Bumper and Hood Assy.
Steering Tower and Fuel Tank Assy.
Attach A Matic and Hitch Assy.
Lower Power Steering Assy.
Power Steering and Tilt Assy.
Tie Rods, Spindle & Front Axle Assy.
Hydro Transaxle Assy.
Hydro Transaxle Assy. (Cont.)
Drive Shaft Assy.
Hydro Lift Lower Assy.
Hydro Lift Upper Assy.
Hood & HeadLight Assy.
Grill and Side Panel Assy.
Dash Assy.
Fender, Footrest and Seat Assy.
Fender, Footrest and Seat Assy. (Cont.)
Smart Turn Rear Assy.
Hi-Lo Shift Assy.
Upper Parking Brake Assy.
Hydro Controls Assy.
Smart Turn Front Assy.
Lower Parking Brake Assy.
Cruise Control Assy.
Fender and Fuel System Assy.
Wheel Assy.
Liquid Cooled GAS Engine Assy.
Liquid Cooled GAS Engine Assy. (Cont.)
Electrical Assy.
Transmission Assy.
Crankcase Assy.
Piston & Crankshaft Assy.
Valve/Camshaft Assy.
Oil Pump & Filter Assy.
Water Pump Assy.
Electrical Components
Governor Assy.
Carburetor Assy.
Air Cleaner Assy.
Fuel Pump & Filter Assy.
Starter Assy.
521/73580
523 Dxi
Rider
Mower decks
Attachements
Hand operated
Robin
Conditions générales de vente
(C) by motoruf